Спасибо ваш запрос принят.
Мы свяжемся с вами в ближайшее время.
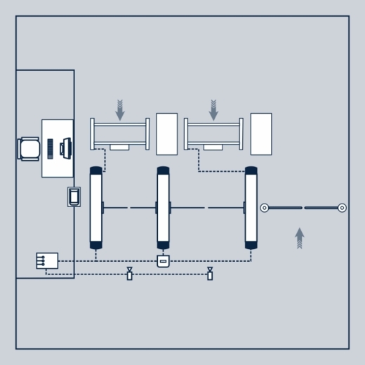
СКУД Готовое решение №4.1
- Описание
-
Опасности и угрозы современного мира требуют от компаний уделять все больше внимания организации систем безопасности на объектах, тщательно и ответственно подходить к выбору технических и дезинфицирующих средств защиты внутри здания.
Главными задачами безопасности, стоящими перед владельцами, являются обеспечение порядка на КПП, проверка и охрана всех мест входа/выхода, контроль за входящими посетителями (измерение температуры тела, дезинфекционная обработка), учет перемещения потоков людей, а также защита имущества и собственности предприятия. Компания БЛОКПОСТ предлагает комплексные решения всех этих задач. Наши инженеры и проектировщики разработали оптимальные варианты и схемы расположения оборудования средств защиты для различных типов объектов.
Решение с оптимальным соотношением цены, технических характеристик и функционала.
Покупая СКУД Готовое решение №4.1 в нашем интернет-магазине, вы можете рассчитывать на бесплатную доставку по Москве.Производитель оставляет за собой право изменять характеристики товара, его внешний вид и комплектность без предварительного уведомления продавца.
Просьба уточнять комплектацию и характеристики товара у менеджера перед покупкой. - Комплектация
-
- Арочный металлодетектор БЛОКПОСТ PC Z 600 M K
- Турникет распашной БЛОКПОСТ РСП 400
- Тумба досмотровая для арочного металлодетекторa
- Картоприемник БЛОКПОСТ КП 500 (внешний)
Производитель оставляет за собой право изменять характеристики товара, его внешний вид и комплектность без предварительного уведомления продавца.
Просьба уточнять комплектацию и характеристики товара у менеджера перед покупкой.






