Спасибо ваш запрос принят.
Мы свяжемся с вами в ближайшее время.
Стационарная система DHI-XIS-C200
- Описание
-
Стационарная напольная система видеоконтроля ТС Dahua обладает непревзойденной эффективностью. Это оптимальное решение, специально разработанное для обеспечения безопасности на различных объектах (например, КПП, тюрьмы и т. д.), предотвращения провоза бомб, оружия, опасной биохимической или контрабандной продукции, а также для выявления злоумышленников, которые могут могут использовать шасси транспортных средств с целью нанесения ущерба людям и имуществу. Система оперативно формирует изображение нижней части шасси ТС в высоком разрешении для обеспечения эффективного досмотра и предотвращения террористических действий.
Применение:
Система подходит для применения на КПП, в местах содержания заключенных, на пунктах таможенного контроля, АЭС, в банковских хранилищах, правительственных учреждениях, иностранных посольствах, на военных базах, в учреждениях обеспечения общественной безопасности и т. д.

- Высокая скорость обработки изображений обеспечивает высокуюэффективность и формирование изображения в пределах 1 сек
- Дополнительный поиск подозрительных предметов для повышениябезопасности
- Автоматическое формирование и сравнение изображений дляповышения точности результатов досмотра
- Высокая несущая способность (до 50 т), прочность, устойчивость ксдавливанию и износостойкость
- Исключительная гибкость настроек позволяет обеспечитьсоответствие требованиям досмотра всех моделей ТС
- Дополнительный прожектор с ресурсом до 10000 ч
- Единая конструкция с несколькими уплотнениями, технологиязащиты военного класса
- Модульная конструкция для упрощения техническогообслуживания
- Функция систематической записи и запросов обеспечиваетмаксимальную поддержку при поиске и проверке записей доступа для правоохранительных органов
- Устойчивый к сдавливанию нижний модуль обеспечивает защиту отвибраций и внешних механических воздействий, поддерживая стабильность рабочих характеристик и нормальное функционирование устройства
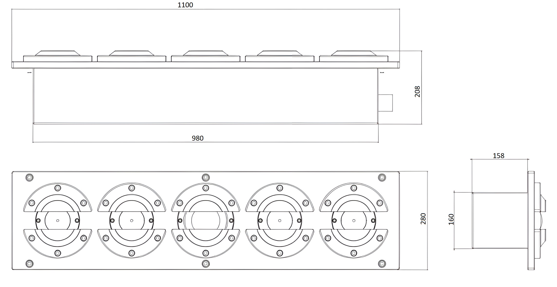
Размеры, мм:

Купив Стационарная система DHI-XIS-C200 в нашем интернет-магазине, вы можете рассчитывать на бесплатную доставку по Москве.

- Характеристики
-
Оборудование для формирования изображений шасси ТС
Способ формирования изображения Динамическое формирование изображений с использованием технологии линейного сканирования (CCD) Способ сканирования Линейное сканирование, активация при наезде на катушку Максимальная частота сканирования 18 кГц Вертикальное разрешение изображения ≥2048 (CCD) Разрешение 20МП (12000 х 7500) Допустимая скорость движения ТС 1–80 км/ч, рекомендованная скорость: ≤30 км/ч Кабель передачи данных 10м (стандарт, по заказу возможно предоставление кабеля индивидуальной длины) Напольный сканер изображения Несколько технологий получения изображения Полезрения ≥ 178° Дополнительная подсветка 320 Вт Прожекторы 4 поверхностных светодиодных лампы, ресурс: > 50000 ч Направление сканирования Двунаправленное сканирование Несущая способность ≥ 50 т Защита IP68 Рабочая температура -20°C ~ 60°C Масса 105кг Размеры 1100 мм × 280 мм × 180 мм Питание 24 В (DC), 110 В ~ 240 В (AC), 50/60 Гц Функции ПО
Режим показа изображения Широкоформатное горизонтальное изображение Время сохранения/формирования изображения < 1 с Поиск изображений Поддержка поиска изображений по дате, времени и номерному знаку. Автоматическое сохранение/удаление изображений Сохранение более 200000 изображений и автоматическое удаление устаревших изображений Настройка качества изображения Поддержка настройки насыщенности, контрастности, баланса и резкости изображений, увеличения/уменьшения изображения, увеличение до 16х, частичное увеличение. Сравнение данных шасси ТС с сохраненными изображениями Поддержка вывода автоматического всплывающего сохраненного изображения шасси ТС для сравнения текущего изображения на том же экране в целях облегчения поиска различий. Дополнительная функция поиска подозрительных предметов Программное обеспечение автоматически находит и идентифицирует подозрительные предметы на шасси ТС, а также автоматически выделяет подозрительные предметы для оператора. Отображение информации об условиях окружающей среды Отображает температуру, влажность, атмосферное давление и другие параметры окружающей среды на встроенном дисплее блока питания. Система рециркуляции воздуха Предотвращение запотевания Конструкция Единый блок с несколькими уплотнениями, высокопрочная и устойчивая к сдавливанию конструкция с защитой от пыли, проникновения влаги и т. д. Консоль
Состав Хост-система и экран Экран Цветной ЖК-экран 22“ Процессор INTEL I5 Материнская плата Специальная материнская плата ОЗУ DDR4, > 4 ГБ Внутренние накопители Высокоскоростной жесткий диск на 1 ТБ Корпус Нержавеющая сталь Пульт управления
Размеры 600 мм × 30 мм × 760 мм Видеокамера системы распознавания номерных знаков ТС (дополнительная опция)
Прожекторы 6 белых прожекторов с регулируемой яркостью Матрица 1/1,8'' КМОП Разрешение 2688 × 1520 (без черной полосы экранного меню) Регулировка диафрагмы Автоматическая (1,4~2,15) Режим активации Видео обнаружение, наезд на катушку Полезрения - Горизонталь: 114,6°~48,3°
- Вертикаль: 59°~27,1°
- Диагональ: 141,6°~55,5°
Дальностьподсветки 12м Дальностьсъемки 3 м~ 6 м Ширинаполя обнаружения 3 м~ 4 м МаксимальнаяскоростьТСдля обнаружения 30 км/ч ОбнаружениеТС Вероятность обнаружения ТС ≥ 99% РаспознаваниеТС Поддержка распознавания типа ТС, цвета ТС, характеристик водителя и пассажира на переднем сиденье, наличия номерного знака. Вероятность распознавания ТС ≥ 95% Питание 12В (DC), 24В(AC), PoE+ Потребляемая мощность < 20 Вт Защита IP67 Размеры 296,5 мм × 124,3 мм × 107,7 мм Объектив Стандартный 2,7 мм ~ 12 мм Питание
Потребляемая мощность - Базовая: 750 Вт
- Максимальная: 1000 Вт
Конструкция
Размеры в упаковке 1250 мм × 1100 мм × 1520 мм Масса 280 кг Производитель оставляет за собой право изменять характеристики товара, его внешний вид и комплектность без предварительного уведомления продавца.
Просьба уточнять комплектацию и характеристики товара у менеджера перед покупкой.






